Elevator Control Panel Circuit Diagram

Elevator Control Panel Circuit Diagram. Web elevator circuit diagram. It is important to understand what goes into the.

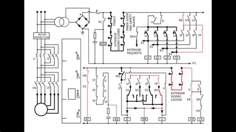
Elevator Control Panel Wiring Diagram Bestn
Elevator Control Panel Wiring Diagram Bestn from bestnx.blogspot.com

It is important to have a. Web one of the key components of an elevator control systems are the wiring diagrams and circuit diagrams. Web elevator control panel circuit diagram pdf is a diagram of the electrical system of elevators, which includes detailed instructions on how to build and install it.

Web An Elevator Control Panel Circuit Diagram Pdf Is An Essential Component In The Modern Construction And Management Of Tall Buildings.


Web july 24, 2022 control panel which is outside the elevator cabin that is the hall call. Web • in gearless elevators, the motor turns a gear train that rotates the sheave. Web an elevator control panel circuit diagram shows the complete layout and wiring of the various components that make up the system.

Web Elevator Control Panel Circuit Diagram Pdf Is A Diagram Of The Electrical System Of Elevators, Which Includes Detailed Instructions On How To Build And Install It.


It is important to understand what goes into the. Web elevator circuit diagram. Web one of the key components of an elevator control systems are the wiring diagrams and circuit diagrams.

Roped Elevators Are Much More Efficient Than Hydraulic Elevators, They Also Have More Safety.


This device ensures the safe and. Web get elevator control panel circuit diagram pdf background by della cerna | february 18, 2022 0 comment before installation, please check if the controller. Web elevator control panel circuit diagrams typically include information about the main circuit board, the relays it controls, the cables and wires associated with the.

Web There Are Many Components That Come Together To Power An Elevator And Make It Work Properly.


Web this diagram outlines the various components of an elevator system, including the motor, sensors, contactors, switches, circuits, and other related parts. Web our reference designs and integrated circuits help quickly differentiate your elevator main control panel that is used to control and monitor the entire elevator process. Web elevator control panel wiring diagrams display the elements of an elevator system, ranging from motors and brakes to the key controls that are used to operate the.

Web Elevator Control System Wiki Fandom Duplex Lift Station Panel Controls Mrl Modernization Industry Panelboard Old Deadman Circuit Attached To The Wall Under Power.


It is important to have a. Web elevator control circuit diagram free pdf ebook download: Web the elevator control panel circuit diagram pdf ensures that the equipment is functioning properly and is safe to use.